Шестеренный разум инженера Иванова

Шестеренный разум инженера Иванова

25 февраля 2026


Российский профессор К.С. Иванов предложил революционную по простоте альтернативу всем АКП и РКП – адаптивный зубчатый вариатор


автор

Михаил Бирюков, фото автора, дзен.ру



Всем известно, что двигатель внутреннего сгорания (ДВС) устроен и работает так, что его нельзя напрямую соединить с колесами – требуется трансмиссия и промежуточное устройство, которое изменяет ее передаточное число.
1.jpg

Механическая коробка передач с ручным переключением – самый простой, но некомфортный тип трансмиссии

Самый простой такой механизм – классическая механическая коробка передач (МКП).

В ней водитель вручную переключает передачи, руководствуясь только опытом и интуицией.

Вот в этом и состоит главный недостаток «механики», поскольку опыт у всех водителей разный (а у некоторых его вообще нет) и разная реакция на изменение ситуации.

Кроме того, процесс переключения требует сбрасывания газа и выжима педали сцепления.

На большинстве легковых автомобилей пять передач переднего хода, а у больших грузовиков их от 9 до 16.

Управлять такой коробкой передач непросто (особенно в условиях интенсивного городского движения или на горных трассах), зато МКП проста, надежна, относительно недорога, да и потери на трение в ней минимальны, т.е. обеспечивается высокий механический КПД.

Стремление облегчить труд водителя, т.е. повысить его комфорт и привело к появлению многочисленных вариантов автоматических трансмиссий.

Собственно на сегодня их на практике осталось три.

Самым простым решением можно считать «роботизированную» коробку передач (РКП или AMT/DSG), где электронная управляющая система, т.н. «робот» выжимает одно или два сцепления «мокрого» типа в коробке и автоматически переключает передачи в зависимости от внешней нагрузки.
1a.jpg

Роботизированная механическая коробка передач с автоматическим переключением ступеней

Впервые РКП модели Eaton Autoshift с 10-ю ступенями появилась в 1997 году на магистральных седельных тягачах.

Однако такой РКП свойственны некоторые рывки при переключениях, хоть и небольшие, но заметные (на легковушках), к тому же возрастающие при износе механизма, кроме того, требуется недешевое электронное управление всей системой.

Автоматическая гидромеханическая коробка передач (ГМП или АКП) существует уже почти 90 лет – первое применение ГМП модели GM Hydra-Matic Drive случилось на легковых автомобилях Oldsmobile Series 60 и Series 70 1940 модельного года, так что за столь длительное время она достигла известного совершенства.
2.jpg

Гидромеханическая коробка передач очень сложна технически

ГМП подходит для любых передаваемых мощностей, работает плавно и имеет широкий диапазон передаточных чисел.

Однако устройство ее очень сложное – с массой многодисковых сцеплений и тормозов, обгонными муфтами, турбинами гидротрансформатора, прецизионными гидрораспределителями и планетарными механизмами.

Стоимость также немалая, несмотря на давно отлаженное массовое производство (особенно в США и Японии).

В конструкции ГМП обязателен масляный насос, фильтр и радиатор, поскольку применяемое в конструкции гидротрансформаторное масло (или жидкость ATF) при работе коробки сильно нагревается и одновременно служит рабочим телом гидросистемы управления, что снижает КПД ГМП в целом (вот куда уходит топливо!) по сравнению с МКП.

Обычно радиатор ГМП встраивают в контур охлаждения двигателя, именно поэтому вводится жесткое ограничение на скорость буксировки (как правило не более 50 км/ч) неисправного автомобиля с ГМП, ведь если двигатель не работает, то нет циркуляции антифриза и охлаждения масла в гидротрансформаторе, а значит, возможен его перегрев.

Всем этим непростым «хозяйством» руководит достаточно сложная и поэтому иногда глючащая электроника.

Бесступенчатый вариатор (CVT) – это фрикционный вариант автоматической КП (на легковых автомобилях появился впервые в 1959 году на голландской микролитражке DAF 600).
3.jpg

Бесступенчатый фрикционный вариатор не может похвастать длительным сроком службы ремня и шкивов

Наиболее распространена его дисковая версия, где два шкива с коническими раздвижными дисками связаны наборным стальным ремнем или специальной цепью.

Гидравлика, приводимая насосом, сдвигает и раздвигает диски на валах, благодаря чему ремень или цепь переходят на разные диаметры шкивов, плавно изменяя передаточное число.

Командует процессом опять же порой капризная электроника. Такая бесступенчатая коробка «на подтяжках» проще ГМП, а КПД ее выше, но она уступает МКП по ресурсу, ведь шкивы и ремень даже после 65 лет непрерывного совершенствования все еще нельзя назвать долговечными деталями.

Кроме того, такая трансмиссия сама по себе не может ни стоять на месте, ни двигаться задним ходом – потому в большинстве автомобилей с вариаторами имеются гидротрансформатор и один планетарный ряд.

Существует гибрид вариатора и «робота» – вариатор со сцеплением. В мопедах и на легких скутерах применяется автоматическое (центробежное) сцепление.

А вот для тяжелых грузовиков и автобусов вариатор не подходит в принципе, так как в таком случае он получился бы слишком большим и тяжелым.

Поэтому применение вариаторов (CVT) на практике ограничивается только легковыми автомобилями, правда, кроме тяжелых рамных полноприводных внедорожников и пикапов, где приходится применять механико-вариаторный гибрид, например Toyota Direct-Shift CVT, призванный побороть главный недостаток вариатора – проблемы со стартом при повышенном сопротивлении качению и проходимостью на бездорожье.

Состоит Direct-Shift CVT из вариатора и стартовой зубчатой передачи, действующей в обход вариатора.

А вот для гибридных автомобилей существует свой планетарно-электрический «вариатор» – e-CVT.

В основе такой трансмиссии лежит узел PSD (Power Split Device, устройство распределения мощности), представляющий собой планетарную передачу, где «солнце» соединено с генератором (MG1), водило – с ДВС, а коронная шестерня – с тяговым электродвигателем (MG2) и через трансмиссию с колесами.

Поскольку передаточные числа планетарной передачи постоянны, механическая связь между элементами жесткая, однако, распределение потоков мощности изменяется за счет управления нагрузкой и режимом работы мотор-генератора.

Управление осуществляет электронный контроллер гибридной системы: мотор-генератор может работать как генератор или как электродвигатель, вращаясь в широком диапазоне оборотов, что обеспечивает плавное, бесступенчатое изменение скорости гибридного автомобиля.

Электрическая энергия, вырабатываемая генератором, не теряется, а используется для питания тягового электродвигателя или зарядки батареи.

Реализована такая трансмиссия e-CVT, например, в гибридной системе Toyota Hybrid Synergy Drive и аналогичных агрегатах других производителей.

Первым серийным гибридным автомобилем с e-CVT стала в 1997 году Toyota Prius, после чего она получила широкое распространение на гибридах этого бренда.

В итоге получается, что все существующие автоматические трансмиссии, так или иначе, несовершенны.

Зачем весь этот краткий ликбез? А для того чтобы понять и в полной мере оценить ту незаметную революцию, которая относительно недавно произошла в конструкциях автомобильных трансмиссий.

Но для начала вспомним, как устроена так называемая планетарная передача, то есть механизм с подвижными в пространстве осями шестерен.
4.jpg

Планетарный бортовой редуктор бульдозера

Самый распространенный ее вариант состоит из зубчатого колеса внутреннего зацепления, называемого эпициклом и соосного с ним малого колеса с наружными зубьями, которое носит название – «солнечное» или центральное.

Между этими колесами размещаются несколько шестерен-сателлитов, которые находятся в зацеплении с эпициклом и солнечным колесом.

Оси сателлитов установлены на детали под названием водило.

Такой механизм, называемый редуктором Джеймса, чаще всего и используется именно как редуктор.

Эпицикл жестко закреплен в корпусе, мощность подводится к солнечному колесу, а замедленное вращение получает ось водила.

Если водило застопорить, а эпициклу дать возможность вращаться, тоже получится редуктор, но уже не совсем планетарный, поскольку оси сателлитов будут неподвижны.

А что если дать возможность свободного вращения всем трем элементам передачи?

Тогда это будет и не редуктор вовсе, а несимметричный дифференциальный механизм.

Такие можно найти в раздаточных коробках полноприводных грузовиков и колесных БТР, а собственно, для других целей несимметричные дифференциалы почти и не применялись.

Так было до тех пор, пока на сцену не вышел наш российский профессор К.С. Иванов, предложивший изумительное, можно сказать, в своей простоте и красоте решение.
8.jpg

Вариатор Иванова «в металле» на испытательном стенде

Итак, при такой схеме два дифференциала размещены в общем корпусе коробки передач.
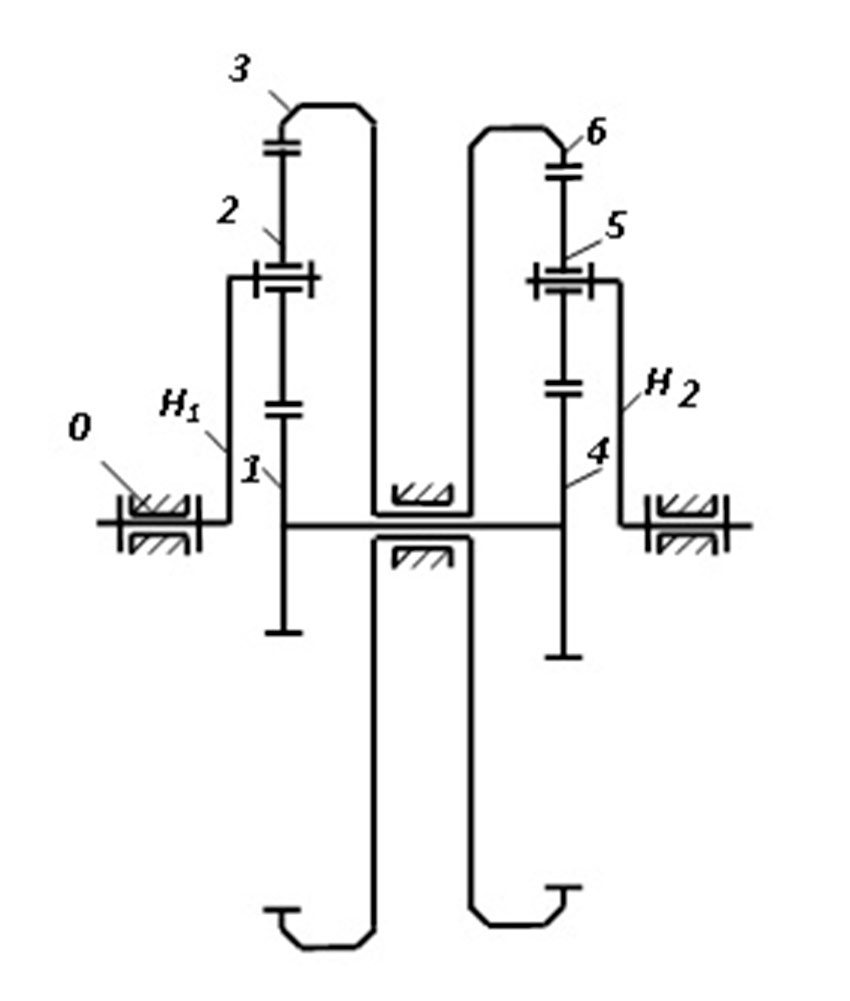
5.jpg

Кинематическая схема адаптивной передачи: О – входной вал; Н1 и Н2 – водила первой и второй ступени;1 – солнечная шестерня первой ступени;  2 – сателлит первой ступени; 3 – эпицикл первой ступени; 4 – солнечная шестерня второй ступени; 5 – сателлит второй ступени; 6 – эпицикл второй ступени

Эпицикл одного жестко связан с эпициклом другого и такую же жесткую связь имеют оба солнечных колеса, сидящие на одном валу.
7.jpg

Иллюстрация кинематики работы адаптивной передачи

Получилась кинематическая цепь с двумя степенями свободы, содержащая подвижный замкнутый контур (в том числе рендер на  заставке).

Так из двух дифференциалов снова образуется редуктор, да только не простой.

Одно водило приводится двигателем а другое… при увеличении сопротивления на валу второго водила, замедляется, а крутящий момент на нем возрастает, преодолевая сопротивление.

И все это происходит без участия человека и без какой-либо системы управления. То есть обычные шестерни ведут себя как искусственный интеллект! Эврика!

Эффект силовой адаптации в механике – это автоматическое изменение скорости вращения выходного вала в зависимости от нагрузки на него при постоянной мощности и частоте вращения на входном валу.

Это позволяет создавать адаптивные приводы с переменным передаточным числом и применять их на абсолютно любых машинах – от велосипедов до бульдозеров, магистральных тягачей, лебедок, разнообразного инструмента и буровых установок.

Такой чудо-механизм не найти пока в учебниках и справочниках – создан практически принципиально новый класс механизмов.
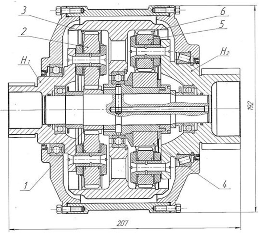
6.jpg

Чертеж реальной конструкции вариатора Иванова: Н1 и Н2 – водила первой и второй ступени; 1,4 – солнечные колеса; 2,5 – сателлиты; 3,6 - эпициклы

Автоматический редуктор или вариатор Иванова обеспечивает безупречно гладкую тяговую характеристику.

В любой момент времени скорость вращения выходного вала полностью соответствует нагрузке при постоянной мощности двигателя.

Потери на трение при этом как у обычной зубчатой планетарной передачи, то есть очень малые.

В принципе в такой коробке передач не нужны никакая система управления, в том числе электронная, электрика и гидравлика (впрочем, на более современном варианте такой коробки между двумя планетарными механизмами может быть встроен т.н. вращательный катаракт, приводимый давлением масла и не сложный по конструкции), она не изнашивается быстро, в ней становятся не нужными специальное дорогое масло, масляные насосы, клапаны, фильтры и радиаторы.
Zastavka.jpg

Наличие вращательного катаракта (между двумя планетарными механизмами), обеспечивающего некоторое смещение крутящего момента между входным и выходным валами, облегчает старт с места и демпфирует нагрузки в трансмиссии

Адаптивная коробка передач для грузовика получается размером с кастрюлю, массой в 15-20 кг и кроме редкой замены трансмиссионного масла никакого технического обслуживания ей не требуется.

Про стоимость агрегата и говорить излишне, она меньше чем даже у классической «механики».

Необходимые диапазоны изменения передаточного числа обеспечиваются подбором шестерен, при необходимости можно сблокировать последовательно несколько вариаторов Иванова.

P.S. Когда-то и я сам думал над подобными механизмами. Дифференциалы Фергюссона…циркуляции мощности – это волновало и вдохновляло. Но на беду попалась мне книжка известного чехословацкого инженера и популяризатора автомобильной темы Юлиуса Мацкерле. В ней категорично утверждалось, что зубчатые механизмы по природе своей не могут обеспечить бесступенчатого изменения передаточного числа. Так что не все аксиомы надо принимать на веру!

Подписывайтесь на наш Тelegram-канал и следите за обновлениями!
Подписаться.

Наш интернет магазин: irim3.ru

Загрузка

Подписаться

Подписаться бесплатно.


  • Комментарии
Загрузка комментариев...

Поздравление с праздником 23 февраля — Днем защитника Отечества!

Поздравление с праздником 23 февраля — Днем защитника Отечества!

Поздравление мужчин с Днём Защитника Отечества!

23.02.2026

Трамп отменяет экоповестку в пользу дешевых автомобилей с грязными ДВС

Трамп отменяет экоповестку в пользу дешевых автомобилей с грязными ДВС

По мнению экологов решение президента Трампа об отмене ограничений выбросов парниковых газов грозит превратить планету в «неуправляемый парник»!

13.02.2026

Одному из самых легендарных «Мерседесов» – серии W123, исполнилось полвека

Одному из самых легендарных «Мерседесов» – серии W123, исполнилось полвека

Ровно полвека назад прошла презентация культовой серии Mercedes-Benz W123

29.01.2026

Что делать, если машина заглохла на зимней дороге

Что делать, если машина заглохла на зимней дороге

Ученые Пермского Политеха рассказали, что делать, если машина заглохла на трассе в мороз

26.01.2026

Ученые Пермского Политеха рассказали, какой тип автомобиля и почему дешевле содержать в 2026 году

Ученые Пермского Политеха рассказали, какой тип автомобиля и почему дешевле содержать в 2026 году

Ученые ПНИПУ проанализировали, какой тип авто дешевле содержать в 2026 году

21.01.2026

До 2035 года в России будет создана высокотехнологичная транспортная система мирового уровня

До 2035 года в России будет создана высокотехнологичная транспортная система мирового уровня

Правительство РФ дало зеленый свет развитию авиалайнеров-суперсоников, сверхскростных поездов типа маглев и хайперлуп, а также беспилотников, электро- и водородомобилей

06.01.2026

Возврат к списку

Нажимая кнопку «Принимаю» и продолжая использовать данный сайт, Вы соглашаетесь с условиями обработки cookie.